Rumah / Produk / Produk Proyek AGV / Seri Pengangkat AGV / Seri Pengangkatan AGV 90/100/115

Seri Pengangkat AGV Pemasok

  • Seri Pengangkatan AGV 90/100/115
  • Seri Pengangkatan AGV 90/100/115
  • Seri Pengangkatan AGV 90/100/115
Seri Pengangkat AGV

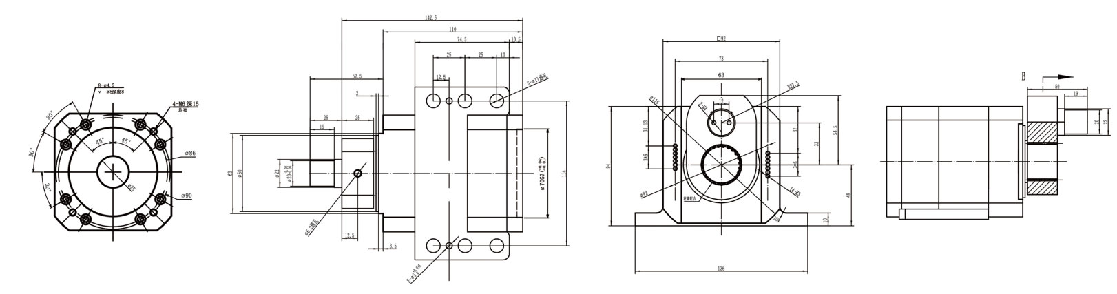
Seri Pengangkatan AGV 90/100/115

Rasio Gear: 100: 1

Tahap Gear: 2

Torsi Nilai (N.M): 320

Instant Stop Torque (N.M): torsi peringkat 2X

Kecepatan input yang dinilai: 3000R/mnt

Torsi Rasial Maks: 12000N

Torsi Maxaxial: 1000n

Backlash (arcmin): <= 30

Lindungi Leve: IP54

NOBER NON-LOAD: <= 65dB

  • Seri Pengangkatan AGV 90/100/115
  • Seri Pengangkatan AGV 90/100/115
  • Seri Pengangkatan AGV 90/100/115
APLIKASI DAERAH
Kami adalah perusahaan teknologi tinggi yang didedikasikan untuk produksi dan penjualan motor reduksi roda gigi AC, motor reduksi kecil, pereduksi planet khusus servo, motor DC tanpa sikat dan motor tanpa sikat, dan produk lainnya.
  • Penyortiran logistik

  • Robot otomatis

  • pemotongan laser

  • Gerbang Kontrol Akses

  • Station listrik fotovoltaik

  • Alat kesehatan

  • Agv

Deskripsi Produk

1. Ukuran kecil, struktur ringan dan relatif kompak, cocok untuk pemasangan di mobil AGV.

2. Presisi tinggi, kekakuan tinggi. Bacuran tanpa torsi dan torsi besar, penentuan posisi yang sangat baik dan akurasi rotasi

3. Nyaman untuk dipasang, mudah dioperasikan, fleksibilitas yang baik dan umur layanan yang panjang.

Hubungi kami
  • Upload

Tentang kami
Zhejiang Saiya Intelligent Manufacturing Co., Ltd.
Zhejiang Saiya Intelligent Manufacturing Co., Ltd. didirikan pada tahun 2009, dengan 15 tahun akumulasi industri, yang merupakan perusahaan teknologi tinggi yang mengkhususkan diri dalam produksi dan penjualan motor roda gigi AC Mikro, motor roda gigi AC kecil, motor roda gigi DC sikat, motor roda gigi DC brushless BLDC, gearbox Planetary Presisi, dan motor roller...dll. Kami adalah Grosir Cina Seri Pengangkatan AGV 90/100/115 Pemasok Dan Produk OEM dan ODM Seri Pengangkatan AGV 90/100/115 Produsen, Motor dan kotak roda gigi Saiya banyak digunakan dalam robot industri, logistik cerdas, mesin energi baru, robot AGV, dan bidang canggih lainnya. Selain itu, motor dan kotak roda gigi Saiya berperan penting dalam pemrosesan makanan, pengemasan, tekstil, elektronik, peralatan medis, dan mesin khusus, yang menawarkan solusi hemat biaya dan berbeda untuk berbagai industri. Untuk meningkatkan keunggulan kami dalam hal diferensiasi dan efektivitas biaya, kami memiliki perusahaan dagang sendiri, Hangzhou Saiya Transmission Equipment Co., LTD yang berlokasi di Hangzhou, Zhejiang, yang dekat dengan pelabuhan Shanghai dan Ningbo, untuk menangani bisnis domestik dan luar negeri, yang dipadukan dengan penjualan dan distribusi langsung, memastikan distribusi global dan dukungan pelanggan, serta menyediakan solusi ekonomis dan andal kelas atas untuk semua pelanggan kami.

Budaya Perusahaan

Asli Dapat Diandalkan
Kualitas Secara Alamiah Menonjol.

Nilai-nilai inti: Mengembangkan diri dan peduli terhadap orang lain.

Penglihatan:Menjadi ahli layanan di bidang transmisi cerdas.

Misi kami:Memberikan layanan berkualitas tinggi dan menciptakan nilai bagi pelanggan.

Filosofi pelayanan:Mengejar kebahagiaan material dan spiritual bagi semua karyawan dan berkontribusi terhadap kemajuan dan pengembangan masyarakat manusia.

  • 2009

    Pembentukan
  • 80+

    Staf
  • 5+

    Jalur Produksi
Berita