Rumah / Produk / Motor mikro AC motor / Induksi AC Gear Motors / 60W Induksi AC Gear Motors

Induksi AC Gear Motors Pemasok

  • 60W Induksi AC Gear Motors
  • 60W Induksi AC Gear Motors
  • 60W Induksi AC Gear Motors
Induksi AC Gear Motors

60W Induksi AC Gear Motors

Ukuran tegangan: 60W, 90mmx90mm

Penggunaan saat ini: 0.4-1.7a

Torsi Nilai: 380-470mn.M

Kecepatan didasarkan pada kecepatan asinkron motor listrik (50Hz: 1200r/mnt, 60hz: 1550r/mnt)

  • 60W Induksi AC Gear Motors
  • 60W Induksi AC Gear Motors
  • 60W Induksi AC Gear Motors
APLIKASI DAERAH
Kami adalah perusahaan teknologi tinggi yang didedikasikan untuk produksi dan penjualan motor reduksi roda gigi AC, motor reduksi kecil, pereduksi planet khusus servo, motor DC tanpa sikat dan motor tanpa sikat, dan produk lainnya.
  • Penyortiran logistik

  • Robot otomatis

  • pemotongan laser

  • Gerbang Kontrol Akses

  • Station listrik fotovoltaik

  • Alat kesehatan

  • Agv

Deskripsi Produk

Motor gear AC induksi 60W adalah perangkat serba guna yang dapat digunakan dalam berbagai aplikasi karena kinerjanya yang efisien dan ukuran kompak. Bingkai motor adalah 80mm x 80mm dan memiliki kisaran arus operasi 0,4-1,7a. Mereka dirancang untuk memberikan torsi pengenal antara 380-470mn.m, membuatnya cocok untuk tugas yang membutuhkan kontrol yang tepat dan output daya sedang.

Motor beroperasi dengan kecepatan asinkron yang bervariasi tergantung pada frekuensi catu daya: 1200RMP untuk 50Hz dan 1550 untuk 60Hz, variasi ini memungkinkan motor untuk beradaptasi dengan berbagai daerah dan standar daya, memastikan kinerja yang konsisten di lingkungan operasi yang berbeda.

Spesifikasi motor induksi

Model · tipe
Atas: poros pinion
Bawah: poros bundar
Keluaran
kekuatan
W
Voltase
V
Frekuensi
Hz
Saat ini
A
Mulai
Torsi
MN.M
Dinilai
Torsi
MN.M
Dinilai
Kecepatan
r/mnt
Kapasitor
μf
Piringan Piringan Timbal
Dimensi①
Jenis kotak terminal
Dimensi②
5ik60gn-AF
(5ik60a-AF)
5ik60gn-aft
(5ik60a-aft)
60 1ph
100
50 1.00 320 470 1250 20.0
60 1.10 380 1550
5ik60gn-Ef
(5ik40a-EF)
5ik60gn-Eft
(5ik60a-Eft)
60 1ph
110
60 0.80 300 380 1550 12.0
1ph
120
0.85
5ik60gn-cf
(5ik60a-cf)
5ik60gn-cft
(5ik60a-cft)
60 1ph
220
50 0.50 340 470 1250 4.0
1ph
230
0.55
5ik60gn-hf
(5ik60a-hf)
5ik60gn-hft
(5ik60a-hft)
60 1ph
220
60 0.50 340 380 1550
1ph
230
0.55
5ik60gn-sf
(5ik60a-sf)
5ik60gn-sft
(5ik60a-sft)
60 3ph
220
50 0.45 1000 470 1250
60 0.40 800 380 1550

Spesifikasi motor reuersibe

Model · tipe
Atas: poros pinion
Bawah: poros bundar
Keluaran
kekuatan
W
Voltase
V
Frekuensi
Hz
Saat ini
A
Mulai
Torsi
MN.M
Dinilai
Torsi
MN.M
Dinilai
Kecepatan
r/mnt
Kapasitor

μf
Piringan Piringan Timbal
Dimensi①
Jenis kotak terminal
Dimensi②
5RK60GN-AF
(5RK60A-AF)
5RK60GN-AFT
(5RK60A-AFT)
60 1ph
100
50 1.26 470 470 1250 25.0
60 1.70 380 1550
5RK60GN-EF
(5RK60A-EF)
5RK60GN-EFT
(5RK60A-EFT)
60 1ph
110
60 1.05 330 380 1550 15.0
1ph
120
380
5RK60GN-CF
(5RK60A-CF)
5RK60GN-CFT
(5RK60A-CFT)
60 1ph
220
50 0.55 420 470 1250 4.5
1ph
230
0.60 460
5RK60GN-HF
(5RK60A-HF)
5RK60GN-HFT
(5RK60A-HFT)
60 1ph
220
60 0.55 420 380 1550 4.5
1ph
230
0.60 460

Spesifikasi Motor Reversibel

Model · tipe
Jenis kawat timbal
Keluaran
kekuatan
W
Voltase
V
Frekuensi
Hz
Kecepatan
Kontrol
Jangkauan
r/mnt
Torsi tunjangan Mulai
Torsi
MN.M
Saat ini
A
Kapasitor
μf
Poros pinion Poros bundar 1200r/mnt
MN.M
90r/mnt
MN.M
5ik60rgn-AF 5ik60ra-AF 60 1ph
100
50 90 ~ 1350 460 140 265 1.00 20.0
60 90 ~ 1650 490 160 1.10
5ik60rgn-Ef 5ik60ra-Ef 60 1ph
110
60 90 ~ 1650 490 160 265 0.80 12.0
1ph
120
0.85
5ik60rgn-cf 5ik60ba-cf 60 1ph
220
50 90 ~ 1350 490 140 265 0.50 4.0
1ph
230
0.55
5ik60rgn-hf 5ik60ra-hf 60 1ph
220
60 90 ~ 1650 490 160 265 0.50 4.0
1ph
230
0.55

Meja motor-torque gigi

Gearhead dan Mid-Gearbox dapat dijual secara terpisah.

Masukkan rasio gigi di dalam kotak (□) dalam nama model.

Latar belakang berwarna □ menunjukkan arah rotasi motor yang sama sementara arah berputar orang lain berlawanan.

Unit Torsi Tunjangan: Upside (N.M)/Belowside (KGF.CM)

Jenis
Motor/Gearhead
Rasio gigi 3 3.6 5 6 7.5 9 12.5 15 18 25 30 36 50 60 75 90 100 120 150 180 200
Kecepatan r/mnt 50Hz 500 417 300 250 200 166 120 100 83 60 50 41 30 25 20 16 15 12.5 10 8.3 7.5
60Hz 600 500 360 300 240 200 144 120 100 72 60 50 36 30 24 20 18 15 12 10 9
5ik60gn-AF □
5ik60gn-Ef □
5ik60gn-cf □
5ik60gn-hf □
5ik60gn-sf □
5gn □ k 50Hz 1.1 1.4 1.9 2.3 2.9 3.4 4.8 5.7 6.8 8.6 10 10 10 10 10 10 10 10 10 10 10
11.2 14.2 19.3 23.4 29.6 34.7 48.9 58.1 69.3 87.7 100 100 100 100 100 100 100 100 100 100 100
60Hz 0.92 1.1 1.5 1.8 2.3 2.8 3.8 4.6 5.5 6.9 8.3 10 10 10 10 10 10 10 10 10 10
9.38 11.2 15.3 18.3 23.4 28.5 38.7 46.9 56.1 70.1 84.7 100 100 100 100 100 100 100 100 100 100

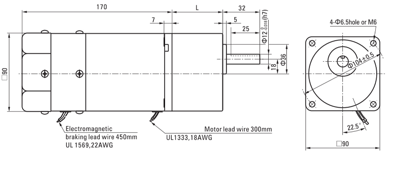
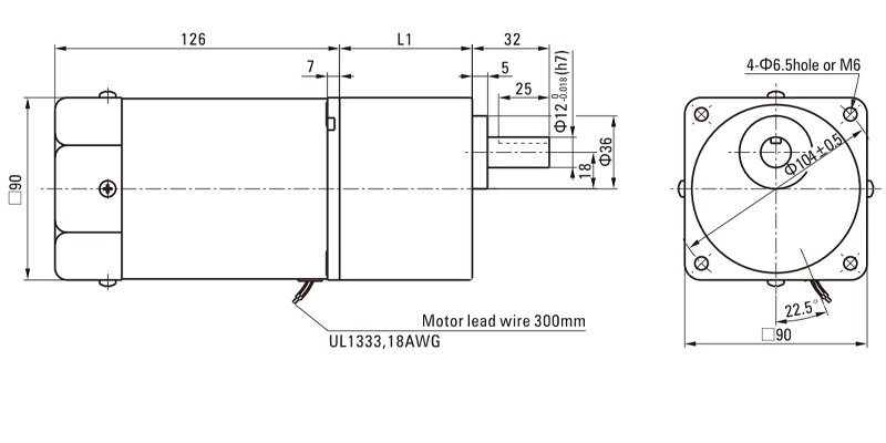
Dimensi (unit mm)

Sekrup pemasangan disertakan dengan gearhead.

Jenis kabel timbal (motor induksi/reversibel)

Berat: Motor: 2.7kg / Gearhead: 1.35kg

Bagian poros tipe poros bundar

Tidak termasuk berat dan bentuk motor bagian poros sama dengan jenis pinion poros.

Jenis kabel timbal (motor rem)

Berat: Motor: 3.5kg / Gearhead: 1.35kg

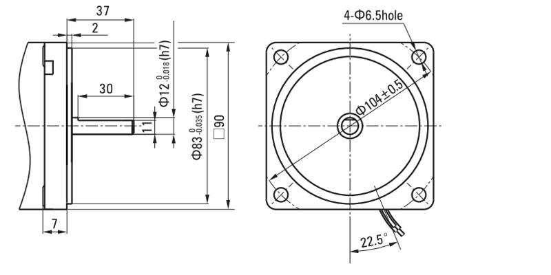
Gearhead desimal

Itu dapat dihubungkan ke tipe poros pinion GN.

Berat: 0,6kg

Jenis kabel timbal (motor kontrol kecepatan)

Berat: Motor: 1.1kg / gearhead: 0.5kg

Model Gearhead Rasio gigi L1
2gn □ k 3 ~ 18 42
25 ~ 200 60

Masukkan rasio roda gigi di dalam kotak (□) dalam nama model

+ Memahami parameter produk secara rinci
Hubungi kami
  • Upload

Tentang kami
Zhejiang Saiya Intelligent Manufacturing Co., Ltd.
Zhejiang Saiya Intelligent Manufacturing Co., Ltd. didirikan pada tahun 2009, dengan 15 tahun akumulasi industri, yang merupakan perusahaan teknologi tinggi yang mengkhususkan diri dalam produksi dan penjualan motor roda gigi AC Mikro, motor roda gigi AC kecil, motor roda gigi DC sikat, motor roda gigi DC brushless BLDC, gearbox Planetary Presisi, dan motor roller...dll. Kami adalah Grosir Cina 60W Induksi AC Gear Motors Pemasok Dan Produk OEM dan ODM 60W Induksi AC Gear Motors Produsen, Motor dan kotak roda gigi Saiya banyak digunakan dalam robot industri, logistik cerdas, mesin energi baru, robot AGV, dan bidang canggih lainnya. Selain itu, motor dan kotak roda gigi Saiya berperan penting dalam pemrosesan makanan, pengemasan, tekstil, elektronik, peralatan medis, dan mesin khusus, yang menawarkan solusi hemat biaya dan berbeda untuk berbagai industri. Untuk meningkatkan keunggulan kami dalam hal diferensiasi dan efektivitas biaya, kami memiliki perusahaan dagang sendiri, Hangzhou Saiya Transmission Equipment Co., LTD yang berlokasi di Hangzhou, Zhejiang, yang dekat dengan pelabuhan Shanghai dan Ningbo, untuk menangani bisnis domestik dan luar negeri, yang dipadukan dengan penjualan dan distribusi langsung, memastikan distribusi global dan dukungan pelanggan, serta menyediakan solusi ekonomis dan andal kelas atas untuk semua pelanggan kami.

Budaya Perusahaan

Asli Dapat Diandalkan
Kualitas Secara Alamiah Menonjol.

Nilai-nilai inti: Mengembangkan diri dan peduli terhadap orang lain.

Penglihatan:Menjadi ahli layanan di bidang transmisi cerdas.

Misi kami:Memberikan layanan berkualitas tinggi dan menciptakan nilai bagi pelanggan.

Filosofi pelayanan:Mengejar kebahagiaan material dan spiritual bagi semua karyawan dan berkontribusi terhadap kemajuan dan pengembangan masyarakat manusia.

  • 2009

    Pembentukan
  • 80+

    Staf
  • 5+

    Jalur Produksi
Berita