Motor gear AC induksi 6W ini adalah motor kecil yang efisien, kompak, dan andal yang co...
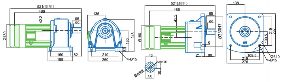
CH32/CV32-3000W- (Kotak Tereduk 1: 30 ~ 60 Rasio) Diagram Ukuran

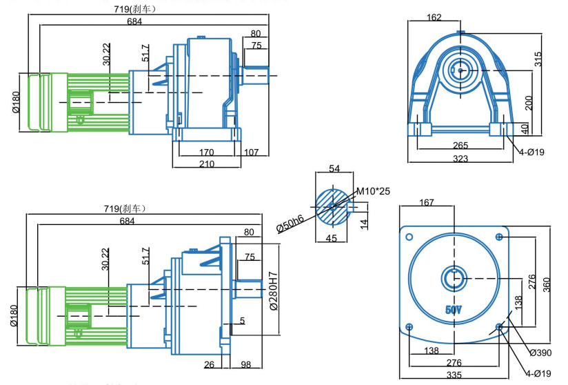
CH40/CV40-3000W Diagram dimensi nomor spesifik tinggi

Daya motor: 3000W instalasi horizontal atau vertikal
Fase: fase tunggal / tiga fase
Rasio roda gigi: 3-1800k
Pemilihan motor: 3 fase motor 220V-240V/380V-415V, 50Hz/60Hz; 1 fase motor, 220V, 50Hz/60Hz; Motor 1 fase, 110V, 50Hz / 60Hz
Diameter poros output: φ32mm φ40mm φ50mm
Penyortiran logistik
Robot otomatis
pemotongan laser
Gerbang Kontrol Akses
Station listrik fotovoltaik
Alat kesehatan
Agv
Parameter Mesin Listrik | ||||||||
Kekuatan (KW) | Jenis | Tegangan (v) | Frekuensi (Hz) | Nilai arus (a) | Nilai Rotasi Kecepatan (RMP) | Kapasitor (μf) | Klasifikasi Insulasi | Sistem pelindung |
3kw | Tiga fase | 220V/380V | 50Hz | 14.2a/8.3a | 1420RMP | / | F | IP54 |
Rasio Gera | 3 | 5 | 10 | 15 | 20 | 25 | 30 | 40 | 50 | 60 | 70 | 80 | 90 | 100 | 120 | 140 | 160 | 180 | 200 | 300 | 1200 | 1800 | |
Output R.P.M. | 50Hz | 500 | 300 | 150 | 100 | 75 | 60 | 50 | 37 | 30 | 25 | 21.4 | 18.8 | 16.7 | 15 | 12.5 | 10.7 | 9.4 | 8.4 | 7.5 | 5 | 1.25 | 0.83 |
60Hz | 600 | 360 | 180 | 120 | 90 | 72 | 60 | 45 | 36 | 30 | 25.7 | 22.5 | 20 | 18 | 15 | 12.9 | 11.3 | 10 | 9 | 6 | 1.5 | 1 | |
Torsi output kg/m | 50Hz | 4.9 | 8.9 | 17.9 | 26.8 | 35.2 | 43.8 | 52.5 | 69.2 | 85.9 | 102.5 | 124.3 | 142 | 159.8 | 177.5 | 213 |
|
|
|
|
|
|
|
60Hz | 4.4 | 7.8 | 15.6 | 23.3 | 29.2 | 38.8 | 46.2 | 60.9 | 75.7 | 90 | 101.9 | 116.5 | 131 | 145.5 | 174.7 |
|
|
|
|
|
|
|
Kecepatan dalam tabel dihitung berdasarkan kecepatan pengenal motor pada 50Hz/60Hz, 1420r.min/1732r.min
Kecepatan aktual akan sedikit berbeda dengan ukuran beban, dengan kisaran variasi sekitar ± 5%.
Nilai-nilai inti: Mengembangkan diri dan peduli terhadap orang lain.
Penglihatan:Menjadi ahli layanan di bidang transmisi cerdas.
Misi kami:Memberikan layanan berkualitas tinggi dan menciptakan nilai bagi pelanggan.
Filosofi pelayanan:Mengejar kebahagiaan material dan spiritual bagi semua karyawan dan berkontribusi terhadap kemajuan dan pengembangan masyarakat manusia.
2009
Pembentukan80+
Staf5+
Jalur ProduksiDengan kemajuan otomatisasi dan kecerdasan yang berkelanjutan, pentingnya motor sebagai unit penggerak inti menjadi semakin menonjol. Motor Gear DC Brushless , karena efisiensi tinggi...
BACA SELENGKAPNYADalam sistem transmisi industri, planetary gearbox , dengan desain struktural yang unik dan kinerja yang luar biasa, telah menjadi komponen inti dalam transmisi presisi tinggi. Dari m...
BACA SELENGKAPNYADi Industri Motor, Sikat Motor Gear DC , DENGAN DESAIN SANGTURAL YANG UNIK DAN KINERJA YANG Stabil, Telah Menjadi Sumber Daya Yang Sangan Diperlukan untuk Perang Peralatan Otomatisasi...
BACA SELENGKAPNYA