Motor Gear AC kecil Pemasok

  • Seri 100W
  • Seri 100W
  • Seri 100W
  • Seri 100W
Motor Gear AC kecil

Seri 100W

Daya Motor: 100W (1/8hp) Instalasi horizontal atau vertikal

Fase: fase tunggal / tiga fase

Rasio roda gigi: 3-1800k

Pemilihan motor: 3 fase motor 220V-240V/380V-415V, 50Hz/60Hz; 1 fase motor, 220V, 50Hz/60Hz; Motor 1 fase, 110V, 50Hz / 60Hz

Diameter poros output: φ18 φ22mm φ28mm

  • Seri 100W
  • Seri 100W
  • Seri 100W
  • Seri 100W
APLIKASI DAERAH
Kami adalah perusahaan teknologi tinggi yang didedikasikan untuk produksi dan penjualan motor reduksi roda gigi AC, motor reduksi kecil, pereduksi planet khusus servo, motor DC tanpa sikat dan motor tanpa sikat, dan produk lainnya.
  • Penyortiran logistik

  • Robot otomatis

  • pemotongan laser

  • Gerbang Kontrol Akses

  • Station listrik fotovoltaik

  • Alat kesehatan

  • Agv

Deskripsi Produk

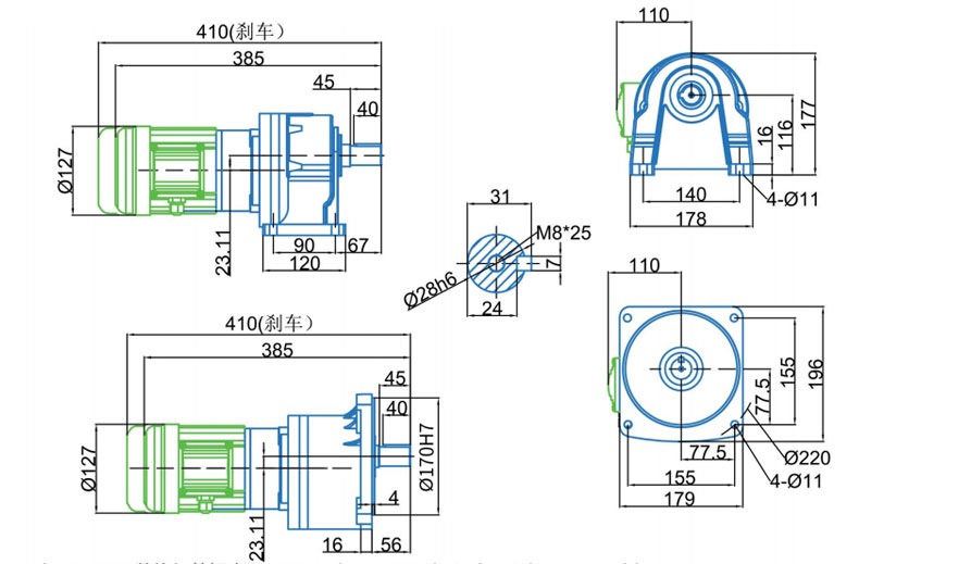
CH18/CV18-100W- (Kotak Standar 1: 3 ~ 50 Rasio) (Kotak Tereduk 1: 60 ~ 200 Rasio) Diagram ukuran

CH22/CV22-100W-Dimensional Gambar dengan rasio 1: 210 atau lebih tinggi

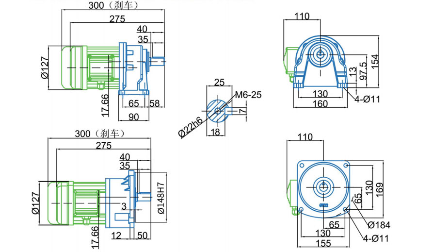
CH22/CV22-100W- (Kotak Standar 1: 60-200 Rasio) Diagram ukuran

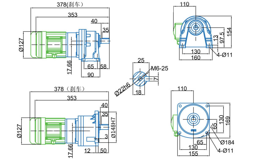
CH28/CV28-100W-Dimensional Gambar dengan rasio 1: 210 atau lebih tinggi

Parameter Mesin Listrik

Parameter Mesin Listrik

Kekuatan (KW)

Jenis

Tegangan (v)

Frekuensi (Hz)

Nilai arus (a)

Nilai Rotasi Kecepatan (RMP)

Kapasitor (μf)

Klasifikasi Insulasi

Sistem pelindung

0,1 kW

1/8hp

Fase tunggal

220v

50Hz

0.35a

1420RMP

8μf

F

IP54

Tiga fase

220V/380V

50Hz

0.6a/0.4a

1420RMP

/

Tabel Torsi 100W- (1: 3-1800)

Rasio Gera

3

5

10

15

20

25

30

40

50

60

70

80

90

100

120

140

160

180

200

300

1200

1800

Output R.P.M.

50Hz

500

300

150

100

75

60

50

37

30

25

21.4

18.8

16.7

15

12.5

10.7

9.4

8.4

7.5

5

1.25

0.83

60Hz

600

360

180

120

90

72

60

45

36

30

25.7

22.5

20

18

15

12.9

11.3

10

9

6

1.5

1

Torsi output kg/m

50Hz

0.19

0.31

0.62

0.91

1.2

1.4

1.8

2.2

2.8

3.4

4.3

4.8

5.2

5.8

6.9

8

9.1

10.3

11.6

17.5

58.5

58.5

60Hz

0.16

0.26

0.52

0.76

1

1.2

1.5

1.9

2.4

2.9

3.6

4.0

4.4

4.9

5.8

6.7

7.6

8.6

9.7

14.9

47.6

47.6

Kecepatan dalam tabel dihitung berdasarkan kecepatan pengenal motor pada 50Hz/60Hz, 1420r.min/1732r.min
Kecepatan aktual akan sedikit berbeda dengan ukuran beban, dengan kisaran variasi sekitar ± 5%.

+ Memahami parameter produk secara rinci
Hubungi kami
  • Upload

Tentang kami
Zhejiang Saiya Intelligent Manufacturing Co., Ltd.
Zhejiang Saiya Intelligent Manufacturing Co., Ltd. didirikan pada tahun 2009, dengan 15 tahun akumulasi industri, yang merupakan perusahaan teknologi tinggi yang mengkhususkan diri dalam produksi dan penjualan motor roda gigi AC Mikro, motor roda gigi AC kecil, motor roda gigi DC sikat, motor roda gigi DC brushless BLDC, gearbox Planetary Presisi, dan motor roller...dll. Kami adalah Grosir Cina Seri 100W Pemasok Dan Produk OEM dan ODM Seri 100W Produsen, Motor dan kotak roda gigi Saiya banyak digunakan dalam robot industri, logistik cerdas, mesin energi baru, robot AGV, dan bidang canggih lainnya. Selain itu, motor dan kotak roda gigi Saiya berperan penting dalam pemrosesan makanan, pengemasan, tekstil, elektronik, peralatan medis, dan mesin khusus, yang menawarkan solusi hemat biaya dan berbeda untuk berbagai industri. Untuk meningkatkan keunggulan kami dalam hal diferensiasi dan efektivitas biaya, kami memiliki perusahaan dagang sendiri, Hangzhou Saiya Transmission Equipment Co., LTD yang berlokasi di Hangzhou, Zhejiang, yang dekat dengan pelabuhan Shanghai dan Ningbo, untuk menangani bisnis domestik dan luar negeri, yang dipadukan dengan penjualan dan distribusi langsung, memastikan distribusi global dan dukungan pelanggan, serta menyediakan solusi ekonomis dan andal kelas atas untuk semua pelanggan kami.

Budaya Perusahaan

Asli Dapat Diandalkan
Kualitas Secara Alamiah Menonjol.

Nilai-nilai inti: Mengembangkan diri dan peduli terhadap orang lain.

Penglihatan:Menjadi ahli layanan di bidang transmisi cerdas.

Misi kami:Memberikan layanan berkualitas tinggi dan menciptakan nilai bagi pelanggan.

Filosofi pelayanan:Mengejar kebahagiaan material dan spiritual bagi semua karyawan dan berkontribusi terhadap kemajuan dan pengembangan masyarakat manusia.

  • 2009

    Pembentukan
  • 80+

    Staf
  • 5+

    Jalur Produksi
Berita