Motor gear AC induksi 6W ini adalah motor kecil yang efisien, kompak, dan andal yang co...
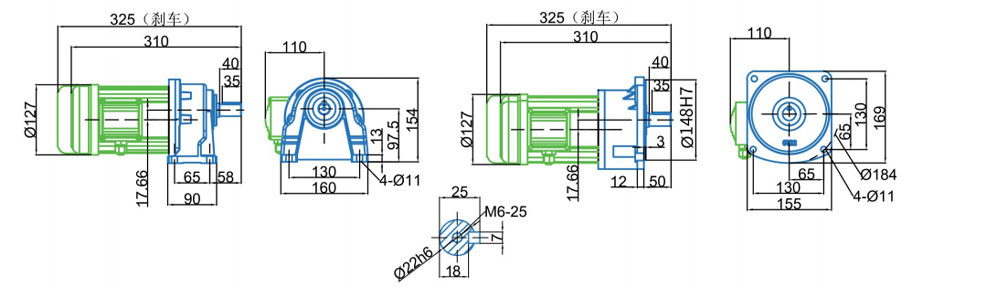
CH18/CV18-200W- (Kotak Standar 1: 3 ~ 10 Rasio) (Kotak Tereduk 1: 15 ~ 90 Rasio) Diagram ukuran

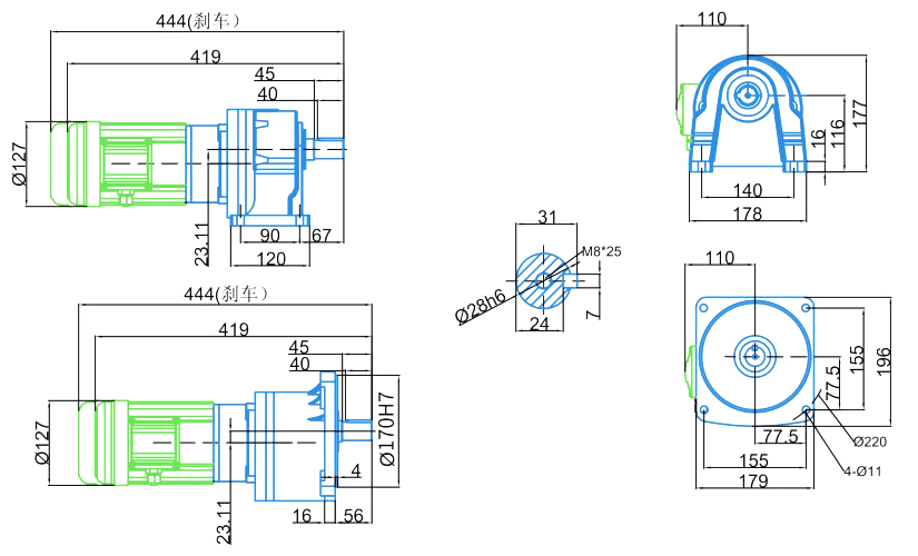
CH28/CV28-200W (1: 210 atau lebih tinggi diagram dimensi

Daya Motor: 200W (1/4HP) Instalasi horizontal atau vertikal
Fase: fase tunggal / tiga fase
Rasio roda gigi: 3-1800k
Pemilihan motor: 3 fase motor 220V-240V/380V-415V, 50Hz/60Hz; 1 fase motor, 220V, 50Hz/60Hz; Motor 1 fase, 110V, 50Hz / 60Hz
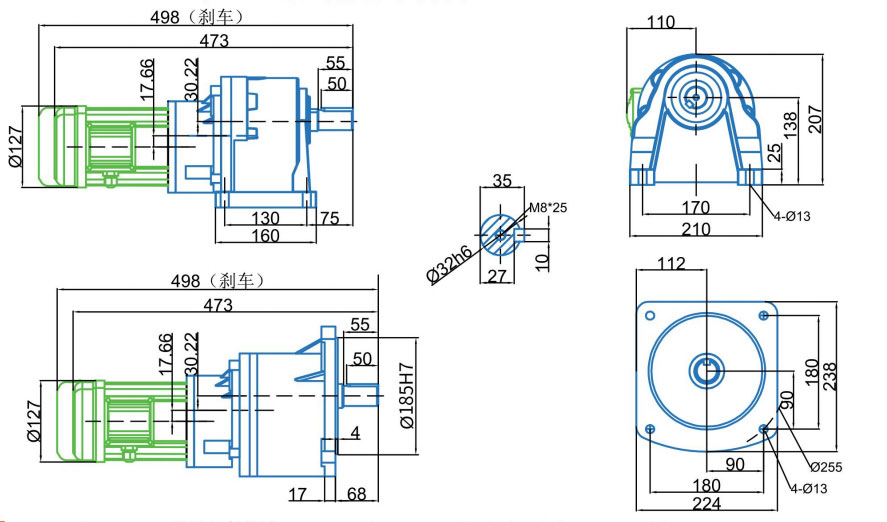
Diameter poros output: φ18 φ22mm φ28mm φ32mm
Penyortiran logistik
Robot otomatis
pemotongan laser
Gerbang Kontrol Akses
Station listrik fotovoltaik
Alat kesehatan
Agv
Parameter Mesin Listrik | ||||||||
Kekuatan (KW) | Jenis | Tegangan (v) | Frekuensi (Hz) | Nilai arus (a) | Nilai Rotasi Kecepatan (RMP) | Kapasitor (μf) | Klasifikasi Insulasi | Sistem pelindung |
0.2kw 1/4hp | Fase tunggal | 220v | 50Hz | 0,58a | 1420RMP | 10μf | F | IP54 |
Tiga fase | 220V/380V | 50Hz | 1a/0.6a | 1420RMP | / |
Rasio Gera | 3 | 5 | 10 | 15 | 20 | 25 | 30 | 40 | 50 | 60 | 70 | 80 | 90 | 100 | 120 | 140 | 160 | 180 | 200 | 300 | 1200 | 1800 | |
Output R.P.M. | 50Hz | 500 | 300 | 150 | 100 | 75 | 60 | 50 | 37 | 30 | 25 | 21.4 | 18.8 | 16.7 | 15 | 12.5 | 10.7 | 9.4 | 8.4 | 7.5 | 5 | 1.25 | 0.83 |
60Hz | 600 | 360 | 180 | 120 | 90 | 72 | 60 | 45 | 36 | 30 | 25.7 | 22.5 | 20 | 18 | 15 | 12.9 | 11.3 | 10 | 9 | 6 | 1.5 | 1 | |
Torsi output kg/m | 50Hz | 0.37 | 0.62 | 1.24 | 1.8 | 2.4 | 3 | 3.6 | 4.6 | 5.7 | 6.9 | 8 | 9.2 | 10.3 | 11.5 | 13.8 | 16 | 18.3 | 20.7 | 22.9 | 35.1 | 70.2 | 70.2 |
60Hz | 0.31 | 0.52 | 1.04 | 1.5 | 2 | 2.5 | 3 | 3.9 | 8 | 5.8 | 6.9 | 7.7 | 8.6 | 9.6 | 11.5 | 13.4 | 15.3 | 17.3 | 19.1 | 28.3 | 56.7 | 56.7 |
Kecepatan dalam tabel dihitung berdasarkan kecepatan pengenal motor pada 50Hz/60Hz, 1420r.min/1732r.min
Kecepatan aktual akan sedikit berbeda dengan ukuran beban, dengan kisaran variasi sekitar ± 5%.
Nilai-nilai inti: Mengembangkan diri dan peduli terhadap orang lain.
Penglihatan:Menjadi ahli layanan di bidang transmisi cerdas.
Misi kami:Memberikan layanan berkualitas tinggi dan menciptakan nilai bagi pelanggan.
Filosofi pelayanan:Mengejar kebahagiaan material dan spiritual bagi semua karyawan dan berkontribusi terhadap kemajuan dan pengembangan masyarakat manusia.
2009
Pembentukan80+
Staf5+
Jalur ProduksiDengan kemajuan otomatisasi dan kecerdasan yang berkelanjutan, pentingnya motor sebagai unit penggerak inti menjadi semakin menonjol. Motor Gear DC Brushless , karena efisiensi tinggi...
BACA SELENGKAPNYADalam sistem transmisi industri, planetary gearbox , dengan desain struktural yang unik dan kinerja yang luar biasa, telah menjadi komponen inti dalam transmisi presisi tinggi. Dari m...
BACA SELENGKAPNYADi Industri Motor, Sikat Motor Gear DC , DENGAN DESAIN SANGTURAL YANG UNIK DAN KINERJA YANG Stabil, Telah Menjadi Sumber Daya Yang Sangan Diperlukan untuk Perang Peralatan Otomatisasi...
BACA SELENGKAPNYA